—— 热忱欢迎新老客户莅临指导合作,共创美好的未来 ——
24小时服务热线
九维电子制造(镇江)有限公司是集研制、开发、生产电子散热器为一体的专业厂家。自成立以来,全系列散热器已广销国内三十多个省市、自治区,赢得了广大用户的好评和信赖。全系列散热器产品是大功率半导体器件配套的散热元件。适用与交直流电源、稳压电源、开关电源、通迅电源,净化电源、广播电视发射装置、交频电源、逆变电源,等各种电源产品。还适用于日光灯电子镇流器,音响设备,功放电路,自动控制仪表等电力电子产品领域。
随着科学技术的飞速发展,使得元器件工功率不断增加,体积逐步缩小,热流密度集聚上升。因此解决它的冷却问题极为重要,合理的选择和正确的使用散热器元件,是提高功率器件的使用寿命,改善整机的装配指标显示出极大的优越性。
九维电子制造(镇江)有限公司拥有一批高素质的科技人员,有先进的生产设备、精良的测试仪器和科学的检测方法。竭诚为电力电子行业服务,愿成为各界同仁忠实,信赖的朋友!
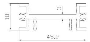
| 模具号 | 宽度(mm) | 高度(mm) | 米重(kg/m) | 预览 |
| JW-000001 | 60.000 | 13.000 | 0.930 | ![]() |
| JW-000002 | 45.200 | 18.000 | 0.660 | ![]() |
| JW-000004 | 55.200 | 18.000 | 0.948 | ![]() |
| JW-000005 | 60.000 | 22.500 | 1.330 | ![]() |
| JW-000007 | 89.200 | 24.800 | 2.400 | ![]() |
| JW-000008 | 100.000 | 28.000 | 2.370 | ![]() |
